Go back

Balancing Machines for Axle Drives with Fully Automatic Unbalance Correction Series SBAL - homepage

  • Fully automatic measuring run
  • Force-measuring bearing pedestals
  • Fully automatic unbalance correction by drilling into the input flange
  • CAB 850 measuring unit
  • Simulation of environmental conditions by so-called dummy-balancing

Range of application

  • Measurement and correction of the unbalance of front and rear axle drives
  • Application of the machine in axle drive production
  • Low-speed measurement of unbalance at approx. 1500 min-1
  • Unbalance correction by drilling into the axle drive input flanges (welding available as option)
Design

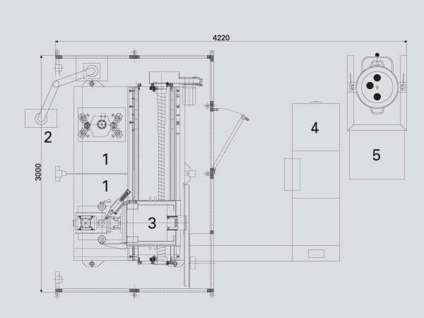
Design

Machine design optimally adapted to the task. Arrangement of machine assemblies based on ergonomic principles. Available as 1- or 2-station machine.
Welded machine base of special design. Force-measuring bearing pedestals with auxiliary balancing frame, adapted specifically to the axle drive in hand.
Pneumatically operated gear clamping mechanisms restrain the axle drive during the balancing process.
Automatically operating drive unit with active tooling and automatic correction unit. High-performance chip extractor for removing drilling chips in the machine working area.
Technical data
Technical data at a glance    Baureihe SBAL 
Measuring unit    CAB 850 
Function sequence    Semiautomatic 
Unbalance correction    Fully automatically by drilling unit 
Machine     
Power clamping unit    Automatic, pneumatically actuated 
Width A  [mm]  ca. 3000 
Depth B  [mm]  ca. 4500 
Spindle speed  [min -1]  ca. 1500 
Load carrying capacity 1)  [kg]  50 
Measuring uncertainty 2)  [gmm]  ca. 20 
Cycle time 3)  [s]  ca. 45 - 90 
Production rate  [St./h]  ca. 30 -40 
Air pressure  [bar]  min. 6,0 
Power consumption  [kVA]  17 
     
Horizontal safety door    • 
Marking device    • 
     
Basic machine  Order No.  R1020100.01 
     
1) Per balancing station     
2) According to DIN 1319, 95% probability, with master rotor and without re-clamping error     
3) Depending on initial unbalance and operating staff